Z19B型胀紧联结套
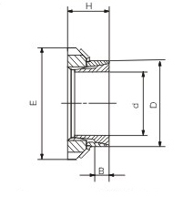
3.2.15   Z19A、 Z19B型胀紧联结套的基本尺寸应符合图19和表25、表26的规定。
      标记示例
      内径d=60mm 外径D=70mm
      的Z19型胀紧联结套
      Z19-60×70
../uploadFiles/039-p.jpg
表25  Z19B型胀紧联结套的基本尺寸
基 本 尺 寸
额定负荷
内六角螺钉
胀套与轴
结合面上
的 压 力
Pr
N/mm2
胀套与轮
毂结合面
上的压力
Pr1
N/mm2
重量
kg
d
D
E
H
B
轴向力Ft
KN
转矩Mt
KN.m
d1
MA
N.M
mm
14
15
16
17
18
19
20
22
24
25
28
30
32
32
35
38
40
45
48
50
55
60
25
25
25
25
30
30
30
35
35
35
40
40
42
45
45
50
50
55
60
60
65
70
32
32
32
32
32
38
38
45
45
45
52
52
52
58
58
65
65
70
75
75
80
85
30
30
30
32
32
32
32
36
36
36
42
42
44
44
44
45
45
46
46
46
46
52
20
20
20
20
20
20
20
25
25
25
30
30
30
30
30
30
30
30
30
30
30
30
64
70
73
80
83
105
112
163
178
185
250
270
350
350
390
500
520
680
840
880
1030
1360
9.1
9.1
9.1
9.1
9.1
11.0
11.0
14.5
14.5
14.5
14.5
17.5
21.5
21.5
21.5
26.0
26.0
30.0
35.0
35.0
37.5
45.0
M20×1
M20×1
M20×1
M22×1
M22×1
M25×1.5
M25×1.5
M30×1.5
M30×1.5
M30×1.5
M35×1.5
M35×1.5
M36×1.5
M40×1.5
M40×1.5
M45×1.5
M45×1.5
M50×1.5
M55×2
M55×2
M60×2
M65×2
95
95
95
95
95
160
160
220
220
220
340
340
340
480
480
680
680
870
970
970
1100
1300
85
80
75
70
65
75
70
70
65
60
55
50
60
60
55
60
60
60
60
60
60
65
45
45
45
45
40
45
45
45
45
45
40
40
45
45
45
45
50
50
50
50
50
55
0.08
0.08
0.07
0.07
0.12
0.11
0.10
0.17
0.15
0.14
0.22
0.19
0.20
0.27
0.22
0.30
0.25
0.29
0.37
0.32
0.34
0.42

 
 
Copyright(C)2005-2006 温州华特机械有限公司 版权所有
公司地址:温州市郭溪街道梅屿工业区兴工南路2号 电话:86-577-86115201 传真:86-577-86116986
http://www.jianjiecn.com E-mail:jianjie@jianjiecn.com